KVM-D Series
Vibration Motors - Mill Series
They are 10-pole vibration motors preferred in the milling machinery industry and semolina purifiers. Kem-p Vibration Motors KVM-D Series has ATEX II 2D Ext b IIIC T 120C Db and IP66 certificates for applications in hazardous environments with flammable and explosive dust.
Expert Support

WANT TO KNOW MORE INFO
In general, in the milling industry, flour and semolina sieving machines
- Voltages
- 380 - 405/660-700 V AC
- Centrifugal force 500 kgf to 800 kgf
- H class insulation
- Mechanical protection IP 66
- Working ambient temperature from -30°C to +40°C
- Universal foot connection dimensions
- Reinforced strong foot design, aluminum alloy metal injection body
- High-quality bearings
- Anti-corrosion paint for “food” applications
ATEX Ex II3 D
- Semolina Purifier
- Systems and Machines
- Feed Sector
- Food industry
Technical Documents
| Model Type | Gövde Size | II 2D Sınıfı Class | Devir rpm | Santrifüj Kuvveti Centrifugal Force ( Kg/F ) | Santrifüj Kuvveti Centrifugal Force ( KN ) | (*)Statik Moment Statical Momen | Ağırlık Weight ( Kg ) | Giriş Gücü Input Power ( W ) | Nominal Akım Nom. Current ( A ) |
|---|---|---|---|---|---|---|---|---|---|
| KVM-60-04-D02 | 04 | 120° | 6 | 608 | 5,964 | 1510,8 | 51,0 | 300 | 1,55 |
| KVM-60-05-D01 | 05 | 120° | 0 | 730 | 7,161 | 1814,0 | 65,0 | 400 | 1,74 |
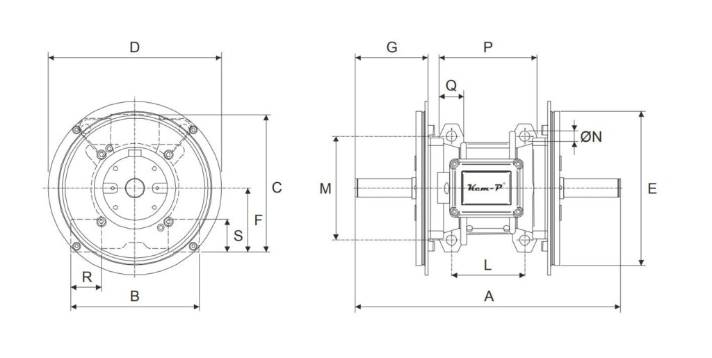
| Model Type | Gövde Size | Gövde Size | A | B | C | D | ØE | F | G | L | M | ØN | P | Q | R | S |
|---|---|---|---|---|---|---|---|---|---|---|---|---|---|---|---|---|
| KVM-60-04-D02 | 04 | -- | 464 | 210 | 246,5 | 283,5 | 256,5 | 104,5 | 134 | 120 | 170 | Ø17 | 160 | 40 | 50 | 53,5 |
| KVM-60-05-D01 | 05 | -- | 603 | 235,5 | 264 | 293 | 258,5 | 117,5 | 183,5 | 140 ÷150 | 190 | Ø17 | 194 | 50 | 51 | 56,5 |

| Model Type | Gövde Size | Gövde Size | A | B | C | D | ØE | F | G | L | M | ØN | P | Q | R | S |
|---|---|---|---|---|---|---|---|---|---|---|---|---|---|---|---|---|
| KVM-60-04-D02 | 04 | -- | 449 | 210 | 246,5 | 283,5 | 252 | 104,5 | 125,5 | 120 | 170 | Ø17 | 160 | 40 | 50 | 53,5 |
| KVM-60-05-D01 | 05 | -- | 515 | 235,5 | 264 | 293 | 260 | 117,5 | 140,5 | 140 /150 | 190 | Ø18,5 | 194 | 50 | 51 | 56,5 |


